產品系列



目前,磨機上廣泛采用的聯軸器是膠塊聯軸器,它是由活動半聯軸器節爪盤上的爪凸,通過膠塊的傳遞作用,帶動固定半聯軸器來傳遞扭矩的。但實踐證明,該聯軸器,尤其是鑲嵌膠塊的固定半聯軸器,鑄造廢品率較高。使用中膠塊容易磨損,固定半聯軸器的凹槽在圓周上分布愈不均勻,每個膠塊受力差異就愈大,磨損就愈快。因為對活動半聯軸器來說,由于爪凸進行了機械加工,其制造精度是可以達到技術要求的。TLW膠塊聯軸器的金屬部件由優良灰口鑄鐵GG-25制成。其彈性元件由合成椽膠制成,具有穩定的轉距傳遞性,脆化效應小。
由于柱銷和彈性元件的優化設計,即使出現軸對中偏差也無磨損。TLW膠塊聯軸器作為高速聯軸器廣泛應用在機械設備,例如泵驅動系統或發動機驅動系統,或者作為低速大轉距聯軸器用于聯接齒輪箱和驅動設備。
TLW膠塊聯軸器是利用若干個H表狀的彈性件,并將主、從動端半聯軸器的凸塊對應插入H形彈性件之間,以實現兩半聯軸器的聯接。H型彈性塊聯軸器結構簡單,尺寸緊湊,制造方便,成本較低,裝卸方便,具有--定補償兩軸相對偏移和減振、緩沖性能,適用于聯接兩同軸線的傳動軸,具有失效保護功能,大的保護了運行的優良性,插入式裝配,因只有三個部件,確認安裝簡便,具有徑向、角度、軸向和扭轉彈性,通過彈性塊傳遞轉矩,優良的聯接使其能夠正反兩
方向運轉,并可用于頻繁正反轉場合。

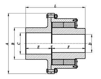
型號 | 公稱扭矩(Nm) | 許用轉速(rpm) | A (mm) | B (mm) | C/D (mm) | E/F (mm) | S (mm) | L (mm) | 重量(Kg) | 轉動慣量(kg.) |
TLW265 | 900 | 4300 | 265 | 120 | 80 | 80 | 4 | 164 | 26 | 17.6 |
TLW305 | 1700 | 3700 | 305 | 142 | 95 | 95 | 4 | 194 | 45 | 35.6 |
TLW365 | 3200 | 3200 | 365 | 170 | 115 | 120 | 4 | 244 | 76 | 85.2 |
TLW435 | 4500 | 2700 | 435 | 195 | 130 | 135 | 6 | 276 | 117 | 166.5 |
TLW455 | 7600 | 2600 | 455 | 217 | 145 | 150 | 6 | 306 | 135 | 226.3 |
TLW535 | 11000 | 2300 | 535 | 262 | 175 | 180 | 6 | 366 | 230 | 558.2 |
型號 | 公稱扭矩(Nm) | 許用轉速(rpm) | A (mm) | B (mm) | C/D (mm) | E/F (mm) | S (mm) | L (mm) | 重量(Kg) | 轉動慣量(kg.) |
TLW575 | 17000 | 2000 | 575 | 307 | 205 | 210 | 8 | 428 | 303 | 865.2 |
TLW645 | 26000 | 1850 | 645 | 330 | 220 | 230 | 8 | 468 | 450 | 1564.2 |
TLW695 | 36000 | 1750 | 695 | 350 | 235 | 245 | 8 | 498 | 565 | 2213.5 |
TLW755 | 48000 | 1600 | 755 | 397 | 265 | 275 | 10 | 560 | 715 | 3282.2 |
TLW805 | 61000 | 1500 | 805 | 427 | 285 | 285 | 10 | 580 | 892 | 4572.1 |
TLW895 | 88000 | 1350 | 895 | 517 | 345 | 345 | 10 | 700 | 1233 | 7944.1 |
TLW985 | 115000 | 1200 | 985 | 562 | 375 | 375 | 12 | 772 | 1783 | 13826.3 |
TLW1065 | 185000 | 1100 | 1065 | 607 | 405 | 425 | 12 | 862 | 2479 | 22401 |
TLW1155 | 260000 | 1000 | 1155 | 667 | 445 | 455 | 12 | 922 | 3182 | 33120 |


