


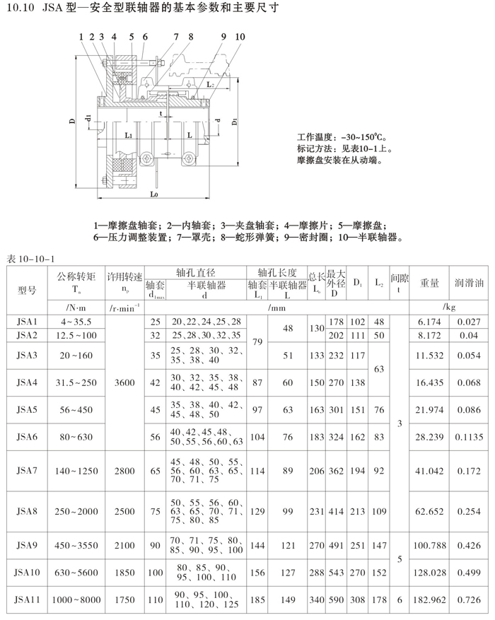
JSA型蛇簧聯軸器,是一種結構合理的金屬彈性聯軸器,它靠蛇形彈簧片來傳遞扭矩,蛇形彈簧聯軸器是軸聯接傳動部件,也是一種非常通用的軸聯接傳動部件蛇形彈簧聯軸器共有九類型式,分別是JS罩殼徑向安裝型(基本型)蛇形彈簧聯軸器、JSS雙法蘭聯接型蛇形彈簧聯軸器、JSD單法蘭聯接型蛇形彈簧聯軸器、SJS接中間軸型蛇形彈簧聯軸器、JSG高速型蛇形彈簧聯軸器、JSZ帶制動輪型蛇形彈簧聯軸器、JSP帶制動盤型蛇形彈簧聯軸器、JSA蛇形彈簧聯軸器等。
JSA型蛇簧聯軸器其主要結構是由兩個半聯軸節,兩個半外罩,兩個密封圈及蛇形彈簧片組成。它是靠蛇簧嵌入兩半聯軸節的齒槽內來傳遞扭矩,聯軸器以蛇形彈簧片嵌入兩個半聯軸節的齒槽內,來實現主動軸與從動軸的鏈接。運轉時,是靠主動端齒面對蛇簧的軸向作用力帶動從動端,來傳遞扭矩,如此在很大程度上避免了共振現象發生,且簧片在傳遞扭矩時所產生的彈性變量,使機械系統能獲得較好的減振效果,其平均減振率達36%以上。
安裝找正,控制合理偏差蛇形彈簧聯軸器雖允許較大的安裝偏差,但安裝時亦應在規定值內。(1)兩瓣聯軸器間的間隙與角向偏差的找正安裝時,每隔9O。測量兩瓣聯軸器間的間隙值,其較大值與較小值之差不超過0.38mm。(2)徑向偏差的找正。用直尺置于兩瓣聯軸器上,每隔9O。測量1次,用塞尺檢查,其徑向偏差不超過0.38mm。2選用合適的潤滑脂注油點溫度≥150℃,能抵抗離心力作用,具有分離穩定性、無雜質、不腐蝕碳鋼和丁腈橡膠的鋰基潤滑脂較好。3填充足量潤滑脂充分的潤滑對聯軸器工作重要,建議每年檢查1次。用干油槍注人潤滑脂,直到在孔中有過量潤滑脂溢出為止。4控制好聯軸器的工作環境溫度,一般在一18~8O℃。



