產品系列

TAG推薦


聯軸器是指聯接兩軸或軸與回轉件,在傳遞運動和動力過程中一同回轉,在正常情況下不脫開的一種裝置。有時也作為一種裝置用來防止被聯接機件承受過大的載荷,起到過載保護的作用。
聯軸器又稱聯軸節。用來將不同機構中的主動軸和從動軸牢固地聯接起來一同旋轉,并傳遞運動和扭矩的機械部件。有時也用以聯接軸與其他零件(如齒輪、帶輪等)。常由兩半合成,分別用鍵或緊配合等聯接,緊固在兩軸端,再通過某種方式將兩半聯接起來。聯軸器可兼有補償兩軸之間由于制造安裝不準確、工作時的變形或熱膨脹等原因所發生的偏移(包括軸向偏移、徑向偏移、角偏移或綜合偏移);以及緩和沖擊、吸振。
常用的聯軸器大多已標準化或規格化,一般情況下只需要正確選擇聯軸器的類型、確定聯軸器的型號及尺寸。需要時可對其易損的薄弱環節進行負荷能力的校核計算;轉速高時還需驗算其外緣的離心力和彈性元件的變形,進行平衡校驗等。
GT型剛性聯軸器是聯軸器的一種,使用較為廣泛,但很多用戶對其相關知識并不是很了解,下面就圍繞GT型剛性聯軸器來簡單介紹一下:
一.GT型剛性聯軸器的特點:GT型剛性聯軸器重量輕,慣性低而且靈敏度好,并且在實際應用中,GT型剛性聯軸器維護簡單,能抗油以實際報告為主。并且在高速的環境下,它能夠補償由于高速運轉而產生的相對位移。當然,如果相對位移能被成功的控制,其在伺服系統中也能發揮很優良的性能。
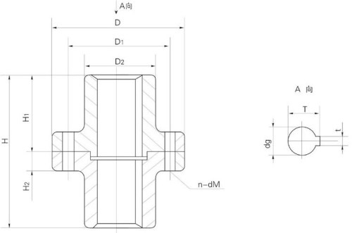
標定符號 | 孔徑 dg(H7) | Mmax (Nm) | 主要尺寸 | 重量(kg) | ||||||||
D | D1 | D2 | H | H1 | H2 | n-dM | T | t | ||||
GT-30 | 30 | 500 | 115 | 90 | 65 | 112 | 54 | 18 | 4-M10 | 33.3 | 8 | 7 |
GT-35 | 35 | 900 | 115 | 90 | 65 | 112 | 54 | 18 | 4-M10 | 38.3 | 10 | 10 |
GT-40 | 40 | 1600 | 150 | 120 | 100 | 144 | 70 | 20 | 4-M12 | 43.3 | 12 | 16 |
GT-45 | 45 | 1600 | 150 | 120 | 100 | 144 | 70 | 20 | 4-M12 | 48.8 | 14 | 16 |
GT-50 | 50 | 2000 | 170 | 140 | 115 | 165 | 80 | 21 | 4-M12 | 53.8 | 14 | 20 |
GT-55 | 55 | 2000 | 170 | 140 | 115 | 165 | 80 | 21 | 4-M12 | 59.3 | 16 | 20 |
GT-65 | 65 | 4000 | 200 | 160 | 125 | 185 | 87 | 24 | 4-M16 | 69.4 | 18 | 35 |
GT-70 | 70 | 4000 | 200 | 160 | 125 | 185 | 87 | 24 | 4-M16 | 74.9 | 20 | 35 |
GT-80 | 80 | 7500 | 200 | 160 | 130 | 190/255 | 92/125 | 26 | 4-M16 | 85.4 | 22 | 50 |
GT-90 | 90 | 9000 | 240 | 200 | 150 | 255 | 125 | 28 | 6-M16 | 95.4 | 25 | 75 |
GT-95 | 95 | 9000 | 240 | 200 | 150 | 255 | 125 | 28 | 6-M16 | 100.4 | 25 | 75 |
GT-100 | 100 | 12000 | 240 | 200 | 165 | 264 | 134 | 32 | 6-M16 | 106.4 | 28 | 110 |
GT-110 | 110 | 18000 | 255 | 220 | 180 | 312 | 155 | 32 | 6-M18 | 116.4 | 28 | 130 |
GT-120 | 120 | 18000 | 255 | 220 | 180 | 312 | 155 | 32 | 6-M18 | 127.4 | 32 | 155 |
GT-130 | 130 | 28000 | 340 | 280 | 220 | 399 | 197 | 34 | 6-M18 | 137.4 | 32 | 240 |
GT-140 | 140 | 28000 | 340 | 280 | 220 | 399 | 197 | 34 | 6-M18 | 148.4 | 36 | 272 |
GT-150 | 150 | 29000 | 380 | 320 | 250 | 450 | 206 | 45 | 8-M20 | 158.4 | 36 | 302 |
GT-160 | 160 | 29000 | 390 | 330 | 260 | 450 | 206 | 45 | 8-M20 | 169.4 | 40 | 325 |
GT-180 | 180 | 31000 | 425 | 360 | 300 | 610 | 320 | 50 | 8-M24 | 190.4 | 45 | 365 |
GT-200 | 200 | 33750 | 440 | 380 | 310 | 610 | 320 | 55 | 8-M24 | 210.4 | 45 | 392 |


