產品系列

TAG推薦


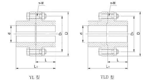
YL凸緣聯軸器是利用螺栓聯接兩凸緣(法蘭)盤式半聯軸器,兩個半聯軸器分別用鍵與兩軸聯接,以實現兩軸聯接,傳遞轉矩和運動。
YL凸緣聯軸器結構簡單,制造方便,成本較低,工作,裝拆、維護均較簡便,傳遞轉矩較大,能讓兩軸具有較高的對中精度,一般常用于載荷平穩,高速或傳動精度要求較高的軸系傳動。YLD型凸緣聯軸器上各螺栓根據傳遞轉矩的大小,可全部采用鉸制孔用螺栓,或一半采用鉸制孔用螺栓,另一半用普通螺栓。
YL凸緣聯軸器有兩種主要的結構形式:
1、靠鉸制孔用螺栓來實現兩軸對中和靠螺栓桿承受擠壓與剪切來傳遞轉矩。
2、靠一個半聯軸器上的凸肩與另一個半聯軸器上的凹槽相配合而對中。連接兩個半聯軸器的螺栓可以采用和B級的普通螺栓,轉矩靠兩個半聯軸器結合面的摩擦力矩來傳遞。
YL凸緣聯軸器對兩軸對中性的要求很高,當兩軸有相對位移存在時,就會在機件內引起附加載荷,使工作情況惡化,這是它的主要缺點。但由于結構簡單、成本低、可傳遞較大轉矩,故當轉速低、無沖擊、軸的剛性大、對中性較好時常采用。
凸緣聯軸器結構簡單,制造方便,成本較低,工作優良,裝拆、維護均較簡便,傳遞轉矩較大,能保護兩軸具有較高的對中精度,一般常用于載荷平穩,高速或傳動精度要求較高的軸系傳動。德國凌斯凸緣聯軸器不具備徑向、軸向和角向補償性能,使用時如果不能保護被聯接兩軸對中精度,將會降低聯軸器的使用壽命、傳動精度和傳動效率,并引起振動和噪聲。凸緣上各螺栓根據傳遞轉矩的大小,可全部采用。
型號 | 公稱扭矩 Tn(N·m) | 許用轉速[n]r/min | 軸孔直徑d(H7) | 軸孔長度L | D | D1 | 螺栓 | L0 | 轉動慣量 (kg.m2) | 重量 (kg.m3) | ||||||
Y型 | J1型 | 數量 n | 直徑M | |||||||||||||
鐵 | 鋼 | 鐵 | 鋼 | Y型 | J1型 | |||||||||||
YL1 YLD1 | 10 | 8100 | 13000 | 10 11 | 10 11 | 25 | 22 | 71 | 53 | 3(3) | M6 | 54 | 48 | 0.0018 | 0.94 | |
12 14 | 12 14 | 32 | 27 | 68 | 58 | |||||||||||
16 18 19 | 16 18 19 | 42 | 30 | 88 | 64 | |||||||||||
20 - | 20 22 | 52 | 38 | 108 | 80 | |||||||||||
YL2 YLD2 | 16 | 7200 | 12000 | 12 14 | 12 14 | 32 | 27 | 80 | 64 | 4(4) | M6 | 68 | 58 | 0.0035 | 1.50 | |
16 18 19 | 16 18 19 | 42 | 30 | 88 | 64 | |||||||||||
20 22 | 20 22 | 52 | 38 | 108 | 80 | |||||||||||
YL3 YLD3 | 25 | 6400 | 10000 | 14 | 14 | 32 | 27 | 90 | 69 | 3(3) | M8 | 68 | 58 | 0.0060 | 1.99 | |
16 18 19 | 16 18 19 | 42 | 30 | |||||||||||||
88 | 64 | |||||||||||||||
20 22- | 20 22 24 | 52 | 38 | 108 | 80 | |||||||||||
128 | 92 | |||||||||||||||
YL4 YLD4 | 40 | 5700 | 9500 | 18 19 | 18 19 | 42 | 30 | 100 | 80 | 3(3) | M8 | 88 | 64 | 0.0093 | 2.47 | |
20 22 24 | 20 22 24 | 52 | 38 | 108 | 80 | |||||||||||
25 - | 25 28 | 62 | 44 | 128 | 92 | |||||||||||
YL5 YLD5 | 63 | 5500 | 9000 | 22 24 | 22 24 | 52 | 38 | 105 | 85 | 4(4) | M8 | 108 | 80 | 0.013 | 3.19 | |
25 28 | 25 28 | 62 | 44 | 128 | 92 | |||||||||||
30 - | 30 32 | 82 | 60 | 168 | 124 | |||||||||||
YL6 YLD6 | 100 | 5200 | 8000 | 24 | 24 | 52 | 38 | 110 | 90 | 4(4) | M8 | 108 | 80 | 0.017 | 3.99 | |
25 28 | 25 28 | 62 | 44 | 128 | 92 | |||||||||||
30 32 - | 30 32 35 | 82 | 60 | 168 | 124 | |||||||||||
YL7 YLD7 | 160 | 4800 | 7600 | 28 | 28 | 62 | 44 | 120 | 95 | 4(3) | M10 | 128 | 92 | 0.029 | 5.66 | |
30 32 35 38 | 30 32 35 38 | 82 | 60 | 168 | 124 | |||||||||||
- | 40 | 112 | 84 | 228 | 172 | |||||||||||
YL8 YLD8 | 250 | 4300 | 7000 | 32 35 38 | 32 35 38 | 82 | 60 | 130 | 105 | 4(3) | M10 | 169 | 125 | 0.043 | 7.29 | |
40 42 - | 40 42 45 | 112 | 84 | 229 | 173 | 6.53 | ||||||||||
YL9 YLD9 | 630 | 4100 | 6800 | 38 | 38 | 82 | 60 | 140 | 115 | 6(3) | M10 | 169 | 125 | 0.064 | 9.53 | |
112 | 84 | 229 | 173 | |||||||||||||
40 42 45 48 - | 40 42 45 48 50 | |||||||||||||||
YL10 YLD10 | 630 | 3600 | 6000 | 45 48 50 55 - | 45 48 50 55 56 | 160 | 130 | 6(4) | M12 | 0.112 | 12.46 | |||||
- | 60 | 142 | 107 | 289 | 219 | |||||||||||
YL11 YLD11 | 1000 | 3200 | 5300 | 50 55 56 | 50 55 56 | 112 | 84 | 180 | 150 | 8(4) | M12 | 229 | 173 | 0.205 | 17.97 | |
60 63 65 - | 60 63 65 70 | 142 | 107 | 289 | 219 | |||||||||||
YL12 YLD12 | 1600 | 2900 | 4700 | 60 63 65 70 71 75 | 60 63 65 70 71 75 | 200 | 170 | 12(6) | M12 | 0.443 | 30.62 | |||||
- | 80 | 52 | 38 | 349 | 269 | 0.463 | 29.52 | |||||||||
YL13 YLD13 | 2500 | 2600 | 4300 | 70 71 75 | 70 71 75 | 142 | 107 | 220 | 185 | 8(6) | M16 | 289 | 219 | 0.646 | 35.58 | |
80 85 - | 80 85 90 | 172 | 132 | 349 | 269 | |||||||||||
YL14 YLD14 | 4000 | 2300 | 4800 | 80 85 90 95 | 80 85 90 95 | 172 | 132 | 250 | 215 | 12(8) | M16 | 350 | 270 | 1.353 | 57.13 | |
100 - | 100 110 | 212 | 167 | 430 | 340 | |||||||||||
YL15 YLD15 | 6300 | 2000 | 3400 | - - | 90 95 | 172 | 132 | 290 | 250 | 12(6) | M20 | 350 | 270 | 2.854 | 89.59 | |
100 110 120 - | 100 110 120 125 | 212 | 167 | 430 | 340 | |||||||||||
YL16 YLD16 | 10000 | 1800 | 3000 | - - 120 125 | 100 110 120 125 | 340 | 290 | 12(6) | M24 | 5.271 | 119.57 | |||||
130 - | 130 140 | 252 | 202 | 510 | 410 | |||||||||||
YL17 YLD17 | 14000 | 1600 | 2600 | - - | 120 125 | 212 | 167 | 380 | 330 | 12(6) | M24 | 430 | 340 | 9.139 | 171.71 | |
130 140 150 | 130 140 150 | 252 | 202 | 510 | 410 | |||||||||||
- | 160 | 302 | 242 | 610 | 490 | |||||||||||
YL18 YLD18 | 20000 | 1400 | 2300 | - - | 140 150 | 252 | 202 | 420 | 360 | 12(6) | M30 | 510 | 410 | (17.883) | (263.5) | |
- - - | 160 170 180 | 302 | 242 | 610 | 490 |


